Vevarm och framfot på Christopeit AL2 och AL1 guide

Nybörjarguiden till vevarm och framfot på Christopeit AL2 och AL1

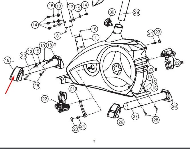
Byte av vevarm och framfot AL2/AL1

Pedalen känns sned, eller gymmet hemma knarrar lite? Tänk så här: vi börjar enkelt, reder ut höger och vänster, och väljer rätt del direkt.

Vad är vevarm och framfot?

Här är hur jag tänker: se vevarmen som armen som håller pedalen. Den sitter på vevaxeln och tar kraften från foten. Framfoten är det främre stödet som håller maskinen stabil mot golvet.

När en vevarm blir skev eller gängan i pedalen ger upp kan pedalen börja vobbla. En sprucken eller krokig framfot gör att hela maskinen känns vinglig. Små delar, stor skillnad.

För dig med Christopeit AL2 eller AL1 är det tryggt att välja delar som är gjorda för just de modellerna. Då slipper du gissningar om mått och passform.

Vill du få en snabb överblick över fler guider om service och byte av delar, kika på reservdelar och service.

Höger eller vänster vevarm

Det här är det vanligaste frågetecknet. Vilken sida är höger? Tänk på att höger och vänster alltid räknas när du sitter på maskinen, som på en cykel.

En vevarm höger är på samma sida som drivhjulet/kåpan. En vevarm vänster sitter på motsatt sida. Ofta är armarna märkta med ett litet “R” eller “L” på insidan.

Har du tappat bort märkningen? Leta efter skyddskåpan runt remhjulet. Den sidan är nästan alltid höger. Enkelt knep, men det räddar många beställningar.

Du hittar fler övergripande tips på startsidan om du vill orientera dig snabbt.

Vad betyder 9/16 tum?

Pedalarm 9/16 tum ” beskriver gängan i hålet där pedalen skruvas i vevarmen. 9/16 tum är branschens vanligaste standard för tränings- och cykelpedaler.

I praktiken betyder det att hålets diameter är ungefär 14,3 mm och att gängstigningen matchar vanliga pedaler. Har du pedaler med 9/16 tum passar de i en pedalarm med samma mått.

Värt att veta: höger pedal har höger gängriktning, vänster pedal har vänster gängriktning. Det minskar risken att pedalen skruvar upp sig under användning.

Passar delarna till AL2 och AL1

För Christopeit AL2 och AL1 är det smidigt: både höger och vänster pedalarm finns för 9/16 tum och är gjorda för just dessa modeller. Sök efter “ framfot AL2 AL1 ” om det är stabiliteten fram som bråkar.

Letar du efter fler christopeit reservdelar som rör drivningen kan du läsa om drivrem och remhjul för en snabb felsökning runt rem och hjul.

Byter du större komponenter än armar och fötter? För motorrelaterade val i andra modeller finns guiden välja drivmotor.

Verktyg och förberedelser

Du behöver inte en verkstad hemma. De här enkla sakerna räcker långt för de flesta AL2/AL1-byte:

  • Pedalnyckel 15 mm eller fastnyckel med tunn käft
  • Insexnyckel eller hylsa till bulten som håller vevarmen
  • Liten mängd fett till gängor och en ren trasa
  • Gärna en gängborste eller tandborste för att rensa smuts

Mitt enkla arbetssätt: lägg skruvarna i en skål, ta en bild innan du lossar något, och jobba lugnt. Behöver du hjälp vid större leveranser kan montering med inbärning vara ett bekvämt alternativ.

Tips: kom ihåg att vänster pedal gängar åt andra hållet. Känns det trögt direkt – stanna, backa, och börja om rakt.

Byt vevarm steg för steg

Här kommer en lugn, rak väg genom bytet. Vi tar höger eller vänster, samma logik gäller.

1) Skruva av pedalen från den gamla vevarmen. Höger sida lossas moturs, vänster sida medurs. Lägg pedalen åt sidan.

2) Lossa bulten som håller vevarmen mot vevaxeln. Håll emot på andra sidan så att axeln inte vrider med.

3) Vicka försiktigt av vevarmen. Sitter den hårt? Lite penetrerande olja och tålamod brukar vinna. Undvik att bända mot kåpor eller remhjul.

4) Rengör axeln och kontrollera att splines eller kona är hela. Torka rent gängorna i pedalhålet.

5) Tryck på den nya armen i rätt vinkel, motsatt den andra armen. Skruva i bulten och dra åt jämnt. Känn efter att det inte finns glapp.

6) Smörj lätt på pedalens gänga och skruva tillbaka pedalen. Höger sida dras medsols, vänster motsols. Känn efter att pedalen löper rakt och ligger an hela vägen.

Vill du läsa om andra vanliga byten i samma område finns guiden om drivrem och remhjul.

Byt framfot steg för steg

En framfot som tappat spänst eller blivit skev märks som ett litet “gung” i chassit. Så här byter vi lugnt och metodiskt.

1) Lägg maskinen så att du kommer åt undersidan utan att belasta plastkåporna. Skydda golvet med en matta.

2) Lossa skruvarna som håller den vänstra främre foten. Håll koll på distanser och brickor så att de kommer tillbaka i samma ordning.

3) Sätt dit den nya framfoten. Dra åt skruvarna korsvis så den lägger sig jämnt. Ställ ner och justera gummifötterna tills maskinen står stabilt.

4) Testa genom att trampa några sekunder. Känn efter. Stabilt och tyst? Bra. Nu är du klar.

Ska du vidare med andra märken i hemmagymmet och behöver en snabb översikt, titta på välj fjäder Abilica.

Vanliga misstag att undvika

Jag ser samma saker återkomma. Inget konstigt, men lätt att slippa.

  • Korsa gängan. Börja alltid med några lätta fingervarv innan du använder verktyg.
  • Fel sida. Dubbelkolla “R”/“L” och tänk på sitspositionen när du avgör höger/vänster.
  • Glömma att rengöra. Smuts och gamla fettklumpar kan skapa glapp och knäpp.
  • Överdriva kraften. Dra jämnt tills det sitter stadigt, utan att ta i onödigt hårt.
  • Missad efterkontroll. Gå över skruvarna efter några pass så allt satt sig.

Behöver du mer vägledning kring leverans och uppstart av större maskiner är montering med inbärning en bra genomgång av vad som brukar fungera smidigt.

Skötsel för längre livslängd

Små vanor gör jobbet. Torka av armar och pedaler ibland. Lite fett i gängorna när du ändå skruvar loss pedalerna då och då.

Håll koll på ljud. Ett nytt knäpp eller en ny vibration betyder ofta att något bör ses över. Ta fem minuter och känn igenom skruvar och fästen.

Står maskinen på ojämnt golv? Justera gummifötterna så att allt står plant. En bra matta under dämpar vibrationer och skonar både golv och maskin.

Översikt i en tabell

Del Sida Gänga Passar Märkning När byta
Pedalarm Höger 9/16 tum (höger gäng) Christopeit AL2, AL1 “R” på insidan Glapp, krokig arm, skadad gänga
Pedalarm Vänster 9/16 tum (vänster gäng) Christopeit AL2, AL1 “L” på insidan Pedal lossnar, gänga sliten, sned känsla
Framfot Vänster fram Skruvfästen enligt modell Christopeit AL2, AL1 Spricka, skevhet, instabilitet framtill

Våra rekommenderade produkter

Pedalarm AL2/AL1  9/16 tum Höger

Pedalarm AL2/AL1 9/16 tum Höger

Höger sida för AL2 och AL1 med standard 9/16-tum gänga. Byt vid glapp eller böj.

Pedalarm AL2/AL1 9/16 tum Vänster

Pedalarm AL2/AL1 9/16 tum Vänster

Vänster sida för AL2 och AL1. Vänstergängad pedalinfästning 9/16 tum, ersätter slitet original.

Fot vänster fram AL2 / AL1

Fot vänster fram AL2 / AL1

Vänster främre fot till AL2 och AL1. Ger stabil bas när den gamla gett sig.

Frågor och svar

Hur vet jag om jag behöver höger eller vänster vevarm?

Sätt dig på maskinen. Höger är sidan med drivhjulet/kåpan, vänster motsatt. Leta gärna efter “R” eller “L”.

Hur ser jag att det är 9/16 tum?

Står ofta på pedal eller arm. På AL2/AL1 är standarden 9/16 tum, vilket matchar vanliga pedaler.

Kan jag blanda delar mellan AL2 och AL1?

För vevarmar och framfot i den här guiden är de gjorda för båda modellerna. Kontrollera alltid modellmärkningen.

Vad gör jag om gängan i vevarmen är skadad?

Byt till ny arm. Försök inte tvinga i pedalen, det förvärrar slitaget och riskerar sned montering.

Måste jag efterdra något efter bytet?

Det är klokt att kontrollera skruvar och pedaler efter några pass. Känn efter glapp och dra åt vid behov.

Bra val

Gymkungen logo

Håll uppe trycket, fyll på elektrolyter vid svettiga hemmapass.

Se erbjudanden
Relode logo

Säkra greppet, beställ dragremmar och handledsstöd för tunga dagar.

Se erbjudanden
Sporttema logo

Bygg hemmagymmet smart, beställ kvalitet från Sporttema redan idag.

Se erbjudanden
Fajters logo

Fixa slagpassen hemma, köp robust boxningssäck och upphängning.

Se erbjudanden
Gymkompaniet logo

Investera i robusta ställ och racks, bygg tryggt hemmagym nu.

Se erbjudanden
Sportgymbutiken SE logo

Skydda golvet med stötvänligt gummigolv, perfekt för lägenhetslyft.

Se erbjudanden
Svenskt Kosttillskott logo

Bygg muskler effektivt, komplettera träningen med EAA i smarta smaker.

Se erbjudanden
Thunder Fitness logo

Starta styrketräningen billigt, påbyggbart hantelset som växer med dig.

Se erbjudanden
Träningsmaskiner SE logo

Jämför crosstrainers för hemmabruk, välj rätt steglängd och drivsystem.

Se erbjudanden